Choose a different language

Current language:English

Automation equipment for beauty and household disposable products

Fully Automatic Disposable Slippers Making Machine HT-YX03

"Disposable slippers + packaging" production line is a one-stop fully automatic production from raw material feeding to finished product packaging. This line includes automatic feeding, shoe upper rolling cutting, shoe upper folding, shoe upper welding, sponge rolling cutting and forming welding, forming roll cutting and product packing. Stable operation, high output, labor saving, and easy maintenance are used in the process .

TEL MSG

Product Introduction

"Disposable slippers + packaging" production line is a one-stop fully automatic production from raw material feeding to finished product packaging. This line includes automatic feeding, shoe upper rolling cutting, shoe upper folding, shoe upper welding, sponge rolling cutting and forming welding, forming roll cutting and product packing. Stable operation, high output, labor saving, and easy maintenance are used in the process .

Product Parameters

ParameterValue
Speed60-100PCS/MIN
Output Power21KW
Power SupplyAC220V 50/60Hz
Air Pressure0.6-0.8MPa
Weight900KG
Dimensions6800*1000*2000mm

Sample photos

  • Fully Automatic Disposable Slippers Making Machine HT-YX03
  • Fully Automatic Disposable Slippers Making Machine HT-YX03
  • Fully Automatic Disposable Slippers Making Machine HT-YX03
  • Fully Automatic Disposable Slippers Making Machine HT-YX03

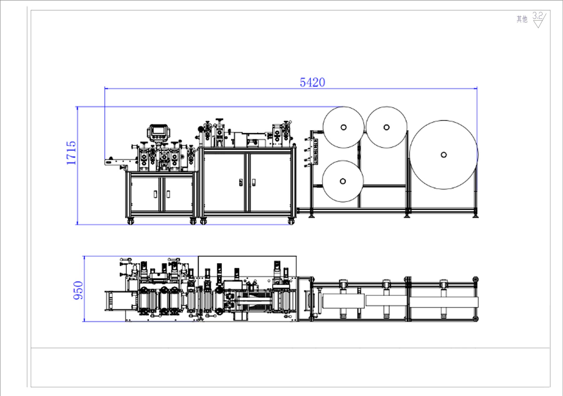
Product Drawings

Fully Automatic Disposable Slippers Making Machine HT-YX03
Huitong Automatic Machinery

Company Profile

Huitong Automatic Machinery

Huitong Automation has been rooted in Dongguan for 18 years and has always been one of the leading suppliers of ultrasonic automation technology in China. We have unique technology in the field of composite welding and embossing of non-woven and textile fabrics, and have also demonstrated outstanding performance in various material fusion, edge sealing technology, and whole line packaging solutions. The company has 5 national direct sales locations and its products are exported to 48 countries and regions overseas. Adhering to the concept of "lean production", we continuously iterate and update our product system. With user needs as the core and market orientation, We have provided over 10000 quality stable automation equipment and thoughtful "360 after-sales worry free" service to global customers.

  • 2008

    Since
  • 16000

    Area
  • 20000+

    Customers

Corporate Culture

Corporate Honors

Partners

Online

Messages