Choose a different language

Current language:English

Bagging Machine

Mask four sided sealing packaging machine HT-BB01

The entire processing of automatic four-sided sealing and packaging machine has included roll film conveying, bag making, material blanking and filling, graphic and text printing, coding, flat pressing heat sealing, easy tear hanging hole punching, plate blanking, finished product output and waste recycling. It can be applied to paper-plastic composite, plastic-plastic composite, aluminum-plastic composite, PE composite, etc. This processing technology is widely used in medical, mask, food, daily chemical and other industries packaging.

TEL MSG

Product Introduction

The entire processing of automatic four-sided sealing and packaging machine has included roll film conveying, bag making, material blanking and filling, graphic and text printing, coding, flat pressing heat sealing, easy tear hanging hole punching, plate blanking, finished product output and waste recycling. It can be applied to paper-plastic composite, plastic-plastic composite, aluminum-plastic composite, PE composite, etc. This processing technology is widely used in medical, mask, food, daily chemical and other industries packaging.

Product Parameters

ParameterValue
Speed100-140pcs/min
Output Power5.5KW
Power SupplyAC220V 50/60Hz
Air Pressure0.6-0.8MPa
Weight1600KG
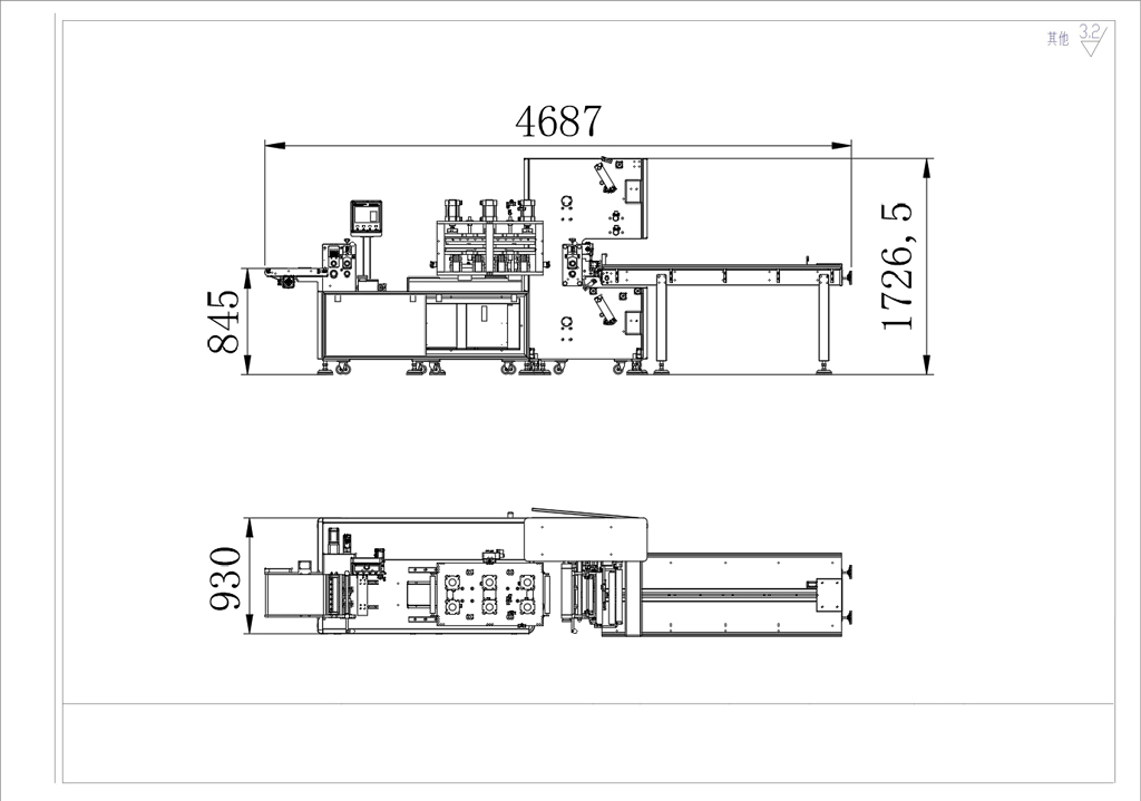
Dimensions4687*930*1727mm

Sample photos

  • Mask four sided sealing packaging machine HT-BB01
  • Mask four sided sealing packaging machine HT-BB01
  • Mask four sided sealing packaging machine HT-BB01
  • Mask four sided sealing packaging machine HT-BB01

Product Drawings

Mask four sided sealing packaging machine HT-BB01
Huitong Automatic Machinery

Company Profile

Huitong Automatic Machinery

Huitong Automation has been rooted in Dongguan for 18 years and has always been one of the leading suppliers of ultrasonic automation technology in China. We have unique technology in the field of composite welding and embossing of non-woven and textile fabrics, and have also demonstrated outstanding performance in various material fusion, edge sealing technology, and whole line packaging solutions. The company has 5 national direct sales locations and its products are exported to 48 countries and regions overseas. Adhering to the concept of "lean production", we continuously iterate and update our product system. With user needs as the core and market orientation, We have provided over 10000 quality stable automation equipment and thoughtful "360 after-sales worry free" service to global customers.

  • 2008

    Since
  • 16000

    Area
  • 20000+

    Customers

Corporate Culture

Corporate Honors

Partners

Online

Messages